22mm高性能电机(43)
产品型号:ZWSMD022022-43
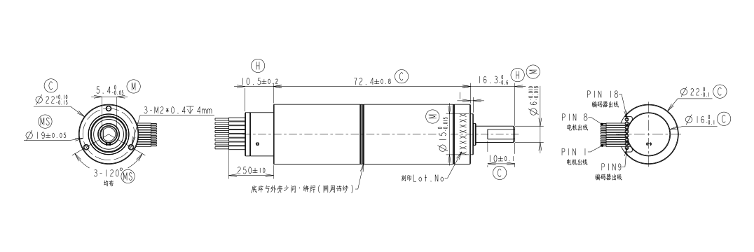
外直径(mm):22
总长度(mm):72.4±0.8
减速比:43:1
额定电压(VDC):24
空载转速(RPM):163±15%
空载电流(mA MAX.REF):90
额定负载力矩(N.M):0.55
额定负载转速(RPM):126±15%
额定负载电流(mA MAX.REF):750
堵转力矩(N.M MIN):2.1
噪音:-稳定后不超出48dB(侧面30CM,无防风罩测试)
空载回程差(°MAX):0.5
| 电机出线PIN脚定义 | ||
| PIN 1 | 绕组C | 黄色 |
| PIN 2 | 绕组B | 橙色 |
| PIN 3 | 绕组A | 褐色 |
| PIN 4 | GND | 黑色 |
| PIN 5 | 霍尔传感器A | 绿色 |
| PIN 6 | 霍尔传感器A | 灰色 |
| PIN 7 | 霍尔传感器A | 蓝色 |
| PIN 8 | Udd(+5V) | 红色 |
| 编码器出线PIN脚定义 | |
| PIN 9 | 不连接 |
| PIN 10 | Vcc |
| PIN 11 | 接地 |
| PIN 12 | 不连接 |
| PIN 13 | 通道A- |
| PIN 14 | 通道A |
| PIN 15 | 通道B- |
| PIN 16 | 通道B |
| PIN 17 | 通道Z- |
| PIN 18 | 通道Z |
| 电机参数 | |
| 电机型号 | SM022022-F01无刷空心杯马达 |
| 额定电压(V DC) | 24 |
| 空载转速(RPM) | 7100±10% |
| 空载电流(mA REF) | 100 |
| 额定负载力矩(G.CM) | 155 |
| 额定负载转速(RPM) | 5500±10% |
| 额定负载电流(A MAX) | 0.68 |
| 堵转电流(A MAX) | 2.5 |
| 堵转力矩(G.CM MIN) | 660 |
| 编码器参数 | |
| 编码器型号 | SM022022-P01 |
| 每圈计数 | 支持1~1024脉冲/圈 |
| 通道数 | 2~3 |
| 最高转速(转/分钟) | 55000 |
| 工作电压(V) | 3.3~5 |
| 工作电流(mA) | 10 |
| 运行温度范围(℃) | -40~125 |
设计图纸
热门产品查看更多
应用场景
9001诚信金沙 — 微型驱动系统制造商
专注于研发、生产精密驱动系统,为客户提供智能驱动方案设计,零件的生产与组装的定制化服务













22mm高性能电机(43)规格书