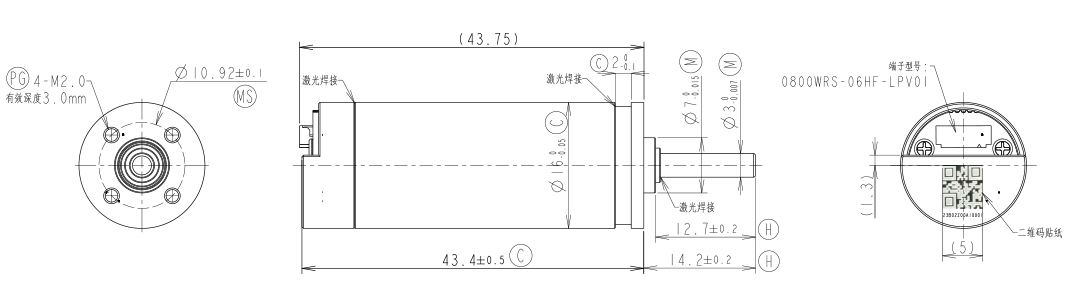
减速箱技术数据
| 级数 | 4 |
| 减速比 | 141.00 |
| 最大传连续输功率(W) | 0.50 |
| 最大瞬时传输功率(W) | 0.80 |
| 最大连续转矩(Nm) | 0.100 |
| 最大瞬时转矩(Nm) | 0.13 |
| 最高连续输入转速(rpm) | 12000 |
| 最高瞬时输入转速(rpm) | 15000 |
| 最大效率(%) | 65.00 |
| 空载平均空回(°) | 0.00 |
| 最大轴向动态载荷(N) | 5.00 |
| 最大径向载荷(离法兰6.5mm处)(N) | 25.00 |
| 齿轮箱长度L1(mm) | 43.40 |
| 重量(G) | 41.00 |
推荐型号
| 型号 | 额定电压 (V) |
空载数据 | 负载数据 | 总长(mm) | 齿轮箱额定容许力矩(Nm) | 齿轮箱瞬间容许力矩(Nm) | 减速比 | 减速箱长 L1(mm) | |||
| 空载转速(rpm) | 空载电流(mA max) | 负载 转速(rpm) |
负载 电流(mA Max) |
转矩(Kg.cm) | |||||||
| GM20149-01 | 12 | 90 | 22 | 50 | 120 | 1.00 | 43.4 | 0.100 | 0.200 | 141 | 43.400 |
设计图纸














查看详情


Φ16mm 正传动减速箱(零回差版本)规格书