9001诚信金沙

股票代码  003021
主页 > 产品中心 > 微型电机 > 无刷空心杯电机 > Φ4mm无刷空心杯电机(MC)
概述

Φ4mm无刷空心杯电机(MC)

产品型号:MC0408

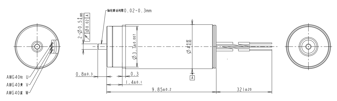
直径(mm):4

长度(mm):8.5

额定电压(V):5

额定转速(rpm):41900

堵转转矩(mNm):0.07

堵转电流(A) :0.19

转矩常数(mNm/A):0.6

速度常数(rpm/V) :16667

输出轴直径(mm):0.5

电机参数

电机数据(额定值)
额定电压(V) 5
空载转速(rpm) 58000
空载电流(A) 0.045
额定转速 (rpm) 41900
额定转矩(mNm) 0.02
额定电流(A) 0.095
堵转转矩(mNm) 0.19
堵转电流(A) 0.85±20%
最大效率(%) 20
电机常数(额定值)
相间电阻(Ω) 26.4
相间电感(mH) 0.07
转矩常数(mNm/A) 0.6
速度常数(rpm/V) 16667
转速/转矩斜度(rpm/mNm) 789337
机械时间常数(ms) 4.2
转子惯量(gcm2) 0.0006
热参数
机壳-环境热阻(K/W) /
绕组-机壳热阻(K/W) /
绕组热时间常数(s) /
电机热时间常数(s) /
环境温度(℃) -20~+100
最高绕组温度(℃) +125
机械参数(滚珠轴承)
最大允许转速(rpm) 100 000
最大轴向间隙(mm) < 0.15 N   0
> 0.15 N   0.3(max)
径向间隙 preloaded
最大轴向动态载荷(N) 0.1
最大允许安静态装力(N) 10
最大径向载荷,距离法兰处2mm处(N) 2
端子型号
AFJ AWG40
*注:以上具体参数可根据客户要求定制。

设计图纸

热门产品查看更多

  •  CL0623

      功率2W  

      扭矩0.425 mNm  

      磁极两磁极  

    查看详情
  •  MC0820

      额定电压5 V  

      额定转速15000 rpm  

      堵转转矩1.08 mNm  

    查看详情
  •  MC1028

      功率8.7W  

      扭矩1.5 mNm  

      磁极两磁极  

    查看详情

资料下载

Φ4mm无刷空心杯电机(MC)规格书

9001诚信金沙 — 微型驱动系统制造商

专注于研发、生产精密驱动系统,为客户提供智能驱动方案设计,零件的生产与组装的定制化服务

关注9001诚信金沙:

     Copyright © 2023  深圳市9001诚信金沙机电股份有限公司&nbsp; 

粤ICP备11019966号
Copyright  2023  深圳市9001诚信金沙机电股份有限公司

400-066-2287
服务热线
服务热线:400-066-2287