行星齿轮减速机选型计算
行星减速机选型计算应确定以下技术参数:每天工作小时数;每小时起停次数;每小时运转周期;可靠度要求;输出转速;载荷类型;环境温度;现场散热条件;减速机通常是根据恒转矩、起停不频繁及常温的情况设计的。
行星减速机扭矩计算公式:
速比=电机输出转数÷减速机输出转数 (“速比”也称”驱动比”)。
1.知道电机功率和速比及使用系数,求减速机扭矩如下公式:
减速机扭矩=9550×电机功率÷电机功率输入转数×速比×使用系数
2.知道扭矩和减速机输出转数及使用系数,求减速机所需配电机功率如下公式:
电机功率=扭矩÷9550×电机功率输入转数÷速比÷使用系数
选用减速机应考虑其结构类型、安装形式、承载能力、输出转速、工作条件等因素。行星减速机主要是由行星轮、太阳轮和内齿圈构成,原理是行星轮围绕太阳轮转动从而达到减小转速增大扭矩的目的。今天我们来了解一下9001诚信金沙行星减速电机选型有哪些。行星齿轮轮系驱动比的计算:
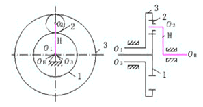
(一)行星轮系的分类
若轮系中,至少有一个齿轮的几何轴线不固定,而绕其它齿轮的固定几何轴线回转,则称为行星轮系。

行星轮系的组成:行星轮、行星架(系杆)、太阳轮
(二)行星轮系驱动比的计算
以差动轮系为例(反转法)
转化机构(定轴轮系) T的机构

差动轮系:2个运动
行星轮系:


对于行量轮系:

1、分析轮系的组成
1、2、2’、3——定轴轮系;
1’、4、3’、H——周转轮系
2、分别写出各轮系的驱动比

了解了行星齿轮减速机计算,我们来看看行星齿轮减速机的选型。行星齿轮减速机选型因素:
1)应选择与电机安装法兰相匹配的行星齿轮减速机
2)确定减速比:具体的减速比是设备厂家根据自己的设备要求来确定的。级数越高,价格越贵,间隙越大。
3)确定减速机的输入和输出形式:输入方面,有孔输入和轴输入;输出方面,有轴输出、孔输出、法兰盘输出等。
ZWBPD系列:
ZWBPD006006、ZWBPD010010、ZWBPD016016、ZWBPD020020、 ZWBPD022022、ZWBPD024024、ZWBPD028028
ZWPD系列:
ZWPD008008、ZWPD012012、ZWPD032032
ZWBMD系列:
ZWBMD003003、ZWBMD004004、ZWBMD006006、ZWBMD010010、ZWBMD020020、ZWBMD022022、ZWBMD024024、ZWBMD028028、ZWBMD032032
ZWMD系列:
ZWMD008008、ZWMD012012、ZWMD016016、ZWMD038038
金属行星减速电机
塑胶行星减速电机















