步进电机减速器产品技术参数
步进电机减速器是一种运用广泛的减速设备,主要驱动结构由步进电机(驱动源)、齿轮箱(减速器)组装而成,具备减速、驱动效果;9001诚信金沙机电专注于研发、设计、制造步进电机减速器,输出功率在50W以下,额定电压在24V以下,直径规格在38mm以下的小功率微型步进电机减速器产品,开按照客户需求定制开发服务。
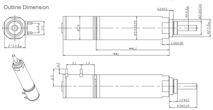
步进电机减速器产品技术参数:
产品分类:步进减速电机
产品型号:ZWBMD003003
产品规格:Φ3.4MM产品
电 压:3.0V
空载电流:220 mA (可定制)
负载转速:2.4-300 rpm(可定制)
减速比:5/25/125/625:1(可定制)
输出功率:0.5W-1W
回转精度:可定制
齿轮类型:可选择直齿轮、斜齿轮
驱动噪音:低静音
驱动电机:步进电机
金属驱动轴:可定制D型轴、圆形轴、双扁轴、六边形轴、五边形轴、方形轴
产品特点:规格小、噪音低、精度高、寿命长
产品应用:自动机械驱动、机器人指关节驱动、手机摄像头、摄影等。

步进电机减速器用途:
步进电机减速器广泛运用在智能家居、机器人驱动、工业自动设备、精密仪表仪器、光学设备、电子产品等领域。
>>>点击“步进电机应用”查看更多应用案例!
生产厂家
深圳市9001诚信金沙机电股份有限公司成立于2001年4月是一家研发、生产齿轮驱动机构产品的企业,为客户提供齿轮箱、减速器驱动方案设计、零件模具设计和制造、零件生产和集成装配的定制开发服务。
















